Manillas Especiales
Nuestros productos
(Caja: 1 Unidades)
Codigo: 47930
Articulo sobre pedido. (Caja: 20 Unidades)
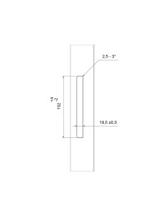
Codigo: 18745
(Caja: 1 Unidades)
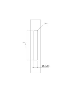
Codigo: 49146
(Caja: 1 Unidades)
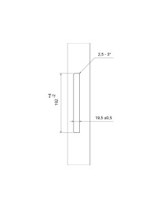
Codigo: 46310
(Caja: 1 Unidades)
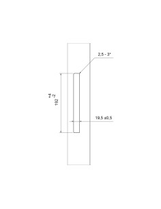
Codigo: 48539